* Auto Elétrica Caseira
Auto elétrica e pequenos serviços mecânicos.
Páginas
Página inicial
terça-feira, 19 de outubro de 2021
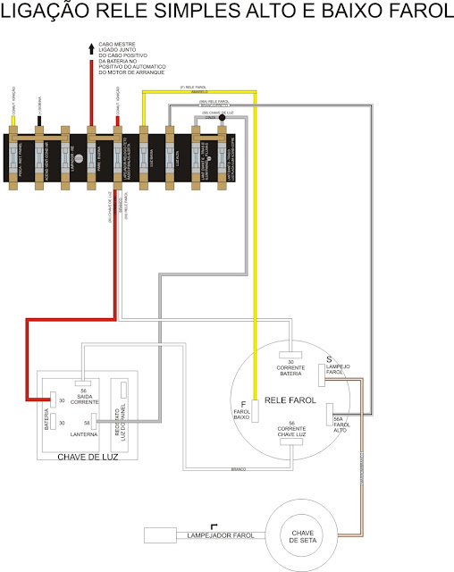
Esquema ligação farol alto e baixo do Opala Caravan.
Olá pessoal, tudo bem? Continuamos com os esquemas do Opala e a Caravan, obrigado por visualizar o blog.
domingo, 3 de outubro de 2021
Esquema ligação Opala Caravan chave de luz e relé simples.
Postagens mais recentes
Postagens mais antigas
Página inicial
Assinar:
Comentários (Atom)